複合電極
指示電極と比較電極が一体化した電極です。
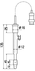
ガラス-比較複合電極 GR-501B


| パーツNo. | D252331-1 | 
|---|---|
| 品名 | ガラス-比較複合電極 | 
| 形式 | GR-501B | 
| 主な使用目的 | 中和滴定 | 
| 温度範囲 | 0~80℃(被滴液が凍らないものとする) | 
| 内部極 | 銀/塩化銀 | 
| 内部液 | 4M塩化カリウム | 
| プラグ形状 | BNC形 | 
| コネクタ部 | Bs,PTFE | 
| ケーブル部 | Cu,PE,PVC | 
| キャップ部 | フェノール樹脂 | 
| 補充口部 | EPR | 
| 本体 | ガラス | 
| 摘要 | - | 
※内部液は、使用容器の変更や容量など、都合により予告無く変更させていただく場合があります。
ガラス-比較複合電極 GR-504B


| パーツNo. | D253500-1 | 
|---|---|
| 品名 | ガラス-比較複合電極 | 
| 形式 | GR-504B | 
| 主な使用目的 | 中和滴定 | 
| 温度範囲 | 0~80℃(被滴液が凍らないものとする) | 
| 内部極 | 銀/塩化銀 | 
| 内部液 | 4M塩化カリウム | 
| プラグ形状 | BNC形 | 
| コネクタ部 | Bs,PTFE | 
| ケーブル部 | Cu,PE,PVC | 
| キャップ部 | フェノール樹脂 | 
| 補充口部 | EPR | 
| 本体 | ガラス | 
| 摘要 | ガラス応答膜がフラットな形状 | 
※内部液は、使用容器の変更や容量など、都合により予告無く変更させていただく場合があります。
ガラス-比較複合電極 GR-511B


| パーツNo. | D252339-1 | 
|---|---|
| 品名 | ガラス-比較複合電極 | 
| 形式 | GR-511B | 
| 主な使用目的 | 中和滴定 | 
| 温度範囲 | 0~80℃(被滴液が凍らないものとする) | 
| 内部極 | 銀/塩化銀 | 
| 内部液 | 4M塩化カリウム | 
| プラグ形状 | BNC形 | 
| コネクタ部 | Bs,PTFE | 
| ケーブル部 | Cu,PE,PVC | 
| キャップ部 | フェノール樹脂 | 
| 補充口部 | EPR | 
| 本体 | ガラス | 
| 摘要 | スリーブタイプ | 
※内部液は、使用容器の変更や容量など、都合により予告無く変更させていただく場合があります。
ガラス-比較複合電極 GR-513B


| パーツNo. | D252349-1 | 
|---|---|
| 品名 | ガラス-比較複合電極 | 
| 形式 | GR-513B | 
| 主な使用目的 | 主にASTM D 664/4739/2896 | 
| 温度範囲 | 0~80℃(被滴液が凍らないものとする) | 
| 内部極 | 銀/塩化銀 | 
| 内部液 | 4M塩化カリウム | 
| プラグ形状 | BNC形 | 
| コネクタ部 | Bs,PTFE | 
| ケーブル部 | Cu,PE,PVC | 
| キャップ部 | フェノール樹脂 | 
| 補充口部 | EPR | 
| 本体 | ガラス | 
| 摘要 | スリーブタイプ ※本電極は、ASTM D 664/4739/2896の性能試験(CHECK FOR ELECTRODE PERFORMANCE)の基準を満たし、JIS Z 8802 形式Ⅱ相当の性能を有します。 ※本電極はJIS Z 8805「pH測定用ガラス電極」5.1 表2のアルカリ誤差の性能は満たしません。水系試料でアルカリ側のpHを正確に測定を行う場合は、従来のGE-101B/GR-511Bをご使用ください。  | 
※内部液は、使用容器の変更や容量など、都合により予告無く変更させていただく場合があります。
ガラス-比較複合電極 GR-521B


| パーツNo. | D252333-2 | 
|---|---|
| 品名 | ガラス-比較複合電極 | 
| 形式 | GR-521B | 
| 主な使用目的 | 中和滴定 | 
| 温度範囲 | 0~80℃(被滴液が凍らないものとする) | 
| 内部極 | 銀/塩化銀 | 
| 内部液 | 4M塩化カリウム | 
| プラグ形状 | BNC形 | 
| コネクタ部 | Bs,PTFE | 
| ケーブル部 | Cu,PE,PVC | 
| キャップ部 | フェノール樹脂 | 
| 補充口部 | EPR | 
| 本体 | ガラス | 
| 摘要 | 試験管用、ケーブル長 1.0m(要長尺シャフト) | 
※内部液は、使用容器の変更や容量など、都合により予告無く変更させていただく場合があります。
ガラス-比較複合電極 GR-522B


| パーツNo. | D252334-1 | 
|---|---|
| 品名 | ガラス-比較複合電極 | 
| 形式 | GR-522B | 
| 主な使用目的 | 中和滴定 | 
| 温度範囲 | 0~80℃(被滴液が凍らないものとする) | 
| 内部極 | 銀/塩化銀 | 
| 内部液 | 4M塩化カリウム | 
| プラグ形状 | BNC形 | 
| コネクタ部 | Bs,PTFE | 
| ケーブル部 | Cu,PE,PVC | 
| キャップ部 | フェノール樹脂 | 
| 補充口部 | EPR | 
| 本体 | ガラス | 
| 摘要 | 密封セル用 | 
※内部液は、使用容器の変更や容量など、都合により予告無く変更させていただく場合があります。
ガラス-比較複合電極 GR-525B


| パーツNo. | D252337-1 | 
|---|---|
| 品名 | ガラス-比較複合電極 | 
| 形式 | GR-525B | 
| 主な使用目的 | 中和滴定 | 
| 温度範囲 | 0~80℃(被滴液が凍らないものとする) | 
| 内部極 | 銀/塩化銀 | 
| 内部液 | 4M塩化カリウム | 
| プラグ形状 | BNC形 | 
| コネクタ部 | Bs,PTFE | 
| ケーブル部 | Cu,PE,PVC | 
| キャップ部 | フェノール樹脂 | 
| 補充口部 | EPR | 
| 本体 | ガラス | 
| 摘要 | 三角フラスコ用(要長尺シャフト) | 
※内部液は、使用容器の変更や容量など、都合により予告無く変更させていただく場合があります。
ガラス-比較-サーミスタ複合電極 GRT-603B


| パーツNo. | D252416-1 | 
|---|---|
| 品名 | ガラス-比較-サーミスタ複合電極 | 
| 形式 | GRT-603B | 
| 主な使用目的 | 中和滴定 | 
| 温度範囲 | 0~80℃(被滴液が凍らないものとする) | 
| 内部極 | 銀/塩化銀 | 
| 内部液 | 4M塩化カリウム | 
| プラグ形状 | BNC形+ピン端子 | 
| コネクタ部 | Bs,PTFE | 
| ケーブル部 | Cu,PE,PVC | 
| キャップ部 | フェノール樹脂 | 
| 補充口部 | EPR | 
| 本体 | ガラス | 
| 摘要 | - | 
※内部液は、使用容器の変更や容量など、都合により予告無く変更させていただく場合があります。
ガラス-比較-サーミスタ複合電極 GRT-604B


| パーツNo. | D253501-1 | 
|---|---|
| 品名 | ガラス-比較-サーミスタ複合電極 | 
| 形式 | GRT-604B | 
| 主な使用目的 | 中和滴定 | 
| 温度範囲 | 0~80℃(被滴液が凍らないものとする) | 
| 内部極 | 銀/塩化銀 | 
| 内部液 | 4M塩化カリウム | 
| プラグ形状 | BNC形+ピン端子 | 
| コネクタ部 | Bs,PTFE | 
| ケーブル部 | Cu,PE,PVC | 
| キャップ部 | フェノール樹脂 | 
| 補充口部 | EPR | 
| 本体 | ガラス | 
| 摘要 | ガラス応答膜がフラットな形状 | 
※内部液は、使用容器の変更や容量など、都合により予告無く変更させていただく場合があります。
銀-比較複合電極 AGR-801


| パーツNo. | D231269-A | 
|---|---|
| 品名 | 銀-比較複合電極 | 
| 形式 | AGR-801 | 
| 主な使用目的 | 沈殿滴定 | 
| 温度範囲 | 0~60℃(被滴液が凍らないものとする) | 
| 内部極 | 硫酸第一水銀 | 
| 内部液 | 0.35mol/L 硫酸カリウム | 
| プラグ形状 | φ2A形×2 | 
| コネクタ部 | Bs | 
| ケーブル部 | Cu,PE,PVC | 
| キャップ部 | フェノール樹脂 | 
| 補充口部 | EPR | 
| 本体 | ガラス | 
| 摘要 | 内部極に 「硫酸第一水銀」 を使用しています。廃棄する場合は分解せず、専門の産業廃棄物処理業者に依頼してください。 | 
※内部液は、使用容器の変更や容量など、都合により予告無く変更させていただく場合があります。
銀-比較複合電極 AGR-801A


| パーツNo. | D231254-A | 
|---|---|
| 品名 | 銀-比較複合電極 | 
| 形式 | AGR-801A | 
| 主な使用目的 | 沈殿滴定 | 
| 温度範囲 | 0~60℃(被滴液が凍らないものとする) | 
| 内部極 | 硫酸第一水銀 | 
| 内部液 | 0.35mol/L 硫酸カリウム | 
| プラグ形状 | φ2A形×2 | 
| コネクタ部 | Bs | 
| ケーブル部 | Cu,PE,PVC | 
| キャップ部 | フェノール樹脂 | 
| 補充口部 | EPR | 
| 本体 | ガラス | 
| 摘要 | AGR-801の塩化銀皮膜付き 内部極に 「硫酸第一水銀」 を使用しています。廃棄する場合は分解せず、専門の産業廃棄物処理業者に依頼してください。  | 
※内部液は、使用容器の変更や容量など、都合により予告無く変更させていただく場合があります。
銀-比較複合電極 AGR-811


| パーツNo. | D230091-A | 
|---|---|
| 品名 | 銀-比較複合電極 | 
| 形式 | AGR-811 | 
| 主な使用目的 | 沈殿滴定 | 
| 温度範囲 | 0~60℃(被滴液が凍らないものとする) | 
| 内部極 | 銀/塩化銀 | 
| 内部液 | 内筒用:4M 塩化カリウム(AgCl入り)  外筒用:飽和硝酸カリウム  | 
| プラグ形状 | φ2A形×2 | 
| コネクタ部 | Bs | 
| ケーブル部 | Cu,PE,PVC | 
| キャップ部 | フェノール樹脂 | 
| 補充口部 | EPR | 
| 本体 | ガラス | 
| 摘要 | ダブルジャンクション形 (GE-101Bとの組合せで中和滴定も使用可能)  | 
※内部液は、使用容器の変更や容量など、都合により予告無く変更させていただく場合があります。
銀-比較複合電極 AGR-811A


| パーツNo. | D251216-A | 
|---|---|
| 品名 | 銀-比較複合電極 | 
| 形式 | AGR-811A | 
| 主な使用目的 | 沈殿滴定 | 
| 温度範囲 | 0~60℃(被滴液が凍らないものとする) | 
| 内部極 | 銀/塩化銀 | 
| 内部液 | 内筒用:4M 塩化カリウム(AgCl入り)  外筒用:飽和硝酸カリウム  | 
| プラグ形状 | φ2A形×2 | 
| コネクタ部 | Bs | 
| ケーブル部 | Cu,PE,PVC | 
| キャップ部 | フェノール樹脂 | 
| 補充口部 | EPR | 
| 本体 | ガラス | 
| 摘要 | AGR-811の塩化銀皮膜付き ダブルジャンクション形 (GE-101Bとの組合せで中和滴定も使用可能)  | 
※内部液は、使用容器の変更や容量など、都合により予告無く変更させていただく場合があります。
銀-比較複合電極 AGR-822


| パーツNo. | D230098-A | 
|---|---|
| 品名 | 銀-比較複合電極 | 
| 形式 | AGR-822 | 
| 主な使用目的 | 沈殿滴定 | 
| 温度範囲 | 0~60℃(被滴液が凍らないものとする) | 
| 内部極 | 硫酸第一水銀 | 
| 内部液 | 0.35mol/L 硫酸カリウム | 
| プラグ形状 | φ2A形×2 | 
| コネクタ部 | Bs | 
| ケーブル部 | Cu,PE,PVC | 
| キャップ部 | フェノール樹脂 | 
| 補充口部 | EPR | 
| 本体 | ガラス | 
| 摘要 | 試験管用(φ18以上、高さ105mm以内)/密封セル用 内部極に 「硫酸第一水銀」 を使用しています。廃棄する場合は分解せず、専門の産業廃棄物処理業者に依頼してください。  | 
※内部液は、使用容器の変更や容量など、都合により予告無く変更させていただく場合があります。
銀-比較複合電極 AGR-821


| パーツNo. | D230092-A | 
|---|---|
| 品名 | 銀-比較複合電極 | 
| 形式 | AGR-821 | 
| 主な使用目的 | 沈殿滴定 | 
| 温度範囲 | 0~60℃(被滴液が凍らないものとする) | 
| 内部極 | 硫酸第一水銀 | 
| 内部液 | 0.35mol/L 硫酸カリウム | 
| プラグ形状 | φ2A形×2 | 
| コネクタ部 | Bs | 
| ケーブル部 | Cu,PE,PVC | 
| キャップ部 | フェノール樹脂 | 
| 補充口部 | EPR | 
| 本体 | ガラス | 
| 摘要 | 三角フラスコ用(要長尺シャフト) 内部極に 「硫酸第一水銀」 を使用しています。廃棄する場合は分解せず、専門の産業廃棄物処理業者に依頼してください。  | 
※内部液は、使用容器の変更や容量など、都合により予告無く変更させていただく場合があります。
白金-比較複合電極 PR-701B


| パーツNo. | D252340-1 | 
|---|---|
| 品名 | 白金-比較複合電極 | 
| 形式 | PR-701B | 
| 主な使用目的 | 酸化還元滴定 | 
| 温度範囲 | 0~100℃(被滴液が凍らないものとする) | 
| 内部極 | 銀/塩化銀 | 
| 内部液 | 4M塩化カリウム | 
| プラグ形状 | BNC形 | 
| コネクタ部 | Bs,PTFE | 
| ケーブル部 | Cu,PE,PVC | 
| キャップ部 | フェノール樹脂 | 
| 補充口部 | EPR | 
| 本体 | ガラス | 
| 摘要 | - | 
※内部液は、使用容器の変更や容量など、都合により予告無く変更させていただく場合があります。
白金-比較複合電極 PR-731B


| パーツNo. | D252341-1 | 
|---|---|
| 品名 | 白金-比較複合電極 | 
| 形式 | PR-731B | 
| 主な使用目的 | 酸化還元滴定 | 
| 温度範囲 | 0~100℃(被滴液が凍らないものとする) | 
| 内部極 | 銀/塩化銀 | 
| 内部液 | 4M塩化カリウム | 
| プラグ形状 | BNC形 | 
| コネクタ部 | Bs,PTFE | 
| ケーブル部 | Cu,PE,PVC | 
| キャップ部 | フェノール樹脂 | 
| 補充口部 | EPR | 
| 本体 | ガラス | 
| 摘要 | 密閉セル用 | 
※内部液は、使用容器の変更や容量など、都合により予告無く変更させていただく場合があります。
白金-比較複合電極 PR-732B


| パーツNo. | D252342-1 | 
|---|---|
| 品名 | 白金-比較複合電極 | 
| 形式 | PR-732B | 
| 主な使用目的 | 酸化還元滴定 | 
| 温度範囲 | 0~100℃(被滴液が凍らないものとする) | 
| 内部極 | 銀/塩化銀 | 
| 内部液 | 4M塩化カリウム | 
| プラグ形状 | BNC形 | 
| コネクタ部 | Bs,PTFE | 
| ケーブル部 | Cu,PE,PVC | 
| キャップ部 | フェノール樹脂 | 
| 補充口部 | EPR | 
| 本体 | ガラス | 
| 摘要 | 三角フラスコ用(要長尺シャフト) | 
※内部液は、使用容器の変更や容量など、都合により予告無く変更させていただく場合があります。
白金-比較複合電極 PR-733B


| パーツNo. | D252343-1 | 
|---|---|
| 品名 | 白金-比較複合電極 | 
| 形式 | PR-733B | 
| 主な使用目的 | 酸化還元滴定 | 
| 温度範囲 | 0~100℃(被滴液が凍らないものとする) | 
| 内部極 | 銀/塩化銀 | 
| 内部液 | 4M塩化カリウム | 
| プラグ形状 | BNC形 | 
| コネクタ部 | Bs,PTFE | 
| ケーブル部 | Cu,PE,PVC | 
| キャップ部 | フェノール樹脂 | 
| 補充口部 | EPR | 
| 本体 | ガラス | 
| 摘要 | 三角フラスコ用(要長尺シャフト) | 
※内部液は、使用容器の変更や容量など、都合により予告無く変更させていただく場合があります。